External Gear Pumps
Request a Quote
Hydraulic pumps
Technical Information
- Displacement: 0.8~8cm³/rev.
- Rotation direction: clockwise (D), counter-clockwise(S)
- Min. speed: 600~1000r/min
- Max. speed: 2100~6000r/min
- Peak pressure: 200~270bar
- Hydraulic system
- Car lifts
- Wind turbine
- Material handling equipment
Features
- Low noise, high efficiency, long lifespan
- High performance even at low speeds
- Leakage-free shaft seal
- Optional built-in overflow valve
- Optional high-low pumps
- Multiple oil port and shaft extension options available
Group 1 Mini External Gear Pump Technical Parameter
| Displacement | Suction absolute pressure | Max. continuous pressure | Max. intermittent pressure | Max. peak pressure | Min. speed | Max. speed | Volumetric efficiency |
| V | Pe | P1 | P2 | P3 | nmin | nmax | ηv |
| cm³/rev. | bar | r/min | % | ||||
| 0.8 | 0.7...3 | 230 | 250 | 270 | 1000 | 6000 | ≥90 |
| 1.1 | |||||||
| 1.3 | ≥91 | ||||||
| 1.6 | |||||||
| 1.8 | |||||||
| 2.1 | ≥92 | ||||||
| 2.7 | 800 | ||||||
| 3.2 | 210 | 230 | 250 | 5000 | |||
| 3.7 | 4500 | ||||||
| 4.2 | |||||||
| 4.8 | 190 | 210 | 230 | 600 | 3500 | ≥93 | |
| 5.8 | 3000 | ||||||
| 7 | 160 | 180 | 200 | 2500 | |||
| 8 | 2100 | ||||||
Group 1 Mini External Gear Pump Ordering Code Rules
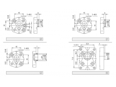
Standard Dimensions of Group 1 External Gear Pumps
| Displacement | Max. pressure | Max. speed | Min. speed | Weight | Dimensions | Oil port code | Inlet | |||
| P1 | P2 | P3 | M | N | ||||||
| (cm³/rev.) | bar | bar | bar | (r/min) | (r/min) | Kg | mm | mm | D | |
| 0.8 | 230 | 250 | 270 | 6000 | 1000 | 0.76 | 73.5 | 61.5 | LJ1 | G3/8 |
| 1.1 | 230 | 250 | 270 | 6000 | 1000 | 0.77 | 74 | 62 | LJ1 | G3/8 |
| 1.3 | 230 | 250 | 270 | 6000 | 1000 | 0.78 | 75 | 63 | LJ1 | G3/8 |
| 1.6 | 230 | 250 | 270 | 6000 | 1000 | 0.79 | 76 | 64 | UJ1 | G3/8 |
| 1.8 | 230 | 250 | 270 | 6000 | 1000 | 0.81 | 77 | 65 | LJ1 | G3/8 |
| 2.1 | 230 | 250 | 270 | 6000 | 1000 | 0.82 | 78 | 66 | LJ1 | G3/8 |
| 2.7 | 230 | 250 | 270 | 6000 | 800 | 0.85 | 80 | 68 | UJ1 | G3/8 |
| 3.2 | 210 | 230 | 250 | 5000 | 800 | 0.87 | 82 | 70 | LJ1 | G3/8 |
| 3.7 | 210 | 230 | 250 | 4500 | 800 | 0.9 | 84 | 72 | LJ1 | G3/8 |
| 4.2 | 210 | 230 | 250 | 4000 | 800 | 0.93 | 86 | 74 | LJ1 | G3/8 |
| 4.8 | 190 | 210 | 230 | 3500 | 600 | 0.95 | 88 | 76 | LJ1 | G3/8 |
| 5.8 | 190 | 210 | 230 | 3000 | 600 | 1.02 | 92 | 80 | LJ1 | G3/8 |
| 7 | 160 | 180 | 200 | 2500 | 600 | 1.07 | 96 | 84 | LJ1 | G3/8 |
| 8 | 160 | 180 | 200 | 2100 | 600 | 1.13 | 100 | 88 | LJ1 | G3/8 |
| Displacement | Max. pressure | Max. speed | Min. speed | Weight | Dimensions | Oil port code | Inlet | Outlet | ||||
| P1 | P2 | P3 | M | N | L | |||||||
| (cm³/rev.) | bar | bar | bar | (r/min) | (r/min) | Kg | mm | mm | mm | D | d | |
| 0.8 | 230 | 250 | 270 | 6000 | 1000 | 0.76 | 73.5 | 61.5 | 32.8 | L2 | G3/8 | G1/4 |
| 1.1 | 230 | 250 | 270 | 6000 | 1000 | 0.77 | 74 | 62 | 33 | L2 | G3/8 | G1/4 |
| 1.3 | 230 | 250 | 270 | 6000 | 1000 | 0.78 | 75 | 63 | 33.5 | L2 | G3/8 | G1/4 |
| 1.6 | 230 | 250 | 270 | 6000 | 1000 | 0.79 | 76 | 64 | 34 | L2 | G3/8 | G1/4 |
| 1.8 | 230 | 250 | 270 | 6000 | 1000 | 0.81 | 77 | 65 | 34.5 | L2 | G3/8 | G1/4 |
| 2.1 | 230 | 250 | 270 | 6000 | 1000 | 0.82 | 78 | 66 | 35 | L2 | G3/8 | G1/4 |
| 2.7 | 230 | 250 | 270 | 6000 | 800 | 0.85 | 80 | 68 | 36 | L2 | G3/8 | G1/4 |
| 3.2 | 210 | 230 | 250 | 5000 | 800 | 0.87 | 82 | 70 | 37 | L2 | G3/8 | G1/4 |
| 3.7 | 210 | 230 | 250 | 4500 | 800 | 0.9 | 84 | 72 | 38 | L2 | G3/8 | G1/4 |
| 4.2 | 210 | 230 | 250 | 4000 | 800 | 0.93 | 86 | 74 | 39 | L2 | G3/8 | G1/4 |
| 4.8 | 190 | 210 | 230 | 3500 | 600 | 0.95 | 88 | 76 | 40 | L2 | G3/8 | G1/4 |
| 5.8 | 190 | 210 | 230 | 3000 | 600 | 0.02 | 92 | 80 | 42 | L2 | G3/8 | G1/4 |
| 7 | 160 | 180 | 200 | 2500 | 600 | 1.07 | 96 | 84 | 44 | L2 | G3/8 | G1/4 |
| 8 | 160 | 180 | 200 | 2100 | 600 | 1.13 | 100 | 88 | 46 | L2 | G3/8 | G1/4 |
| Displacement | Max. pressure | Max. speed | Min. speed | Weight | Dimensions | Oil port code | Inlet | Outlet | ||||
| P1 | P2 | P3 | M | N | L | |||||||
| (cm³/rev.) | bar | bar | bar | (r/min) | (r/min) | Kg | mm | mm | mm | D | d | |
| 0.8 | 230 | 250 | 270 | 6000 | 1000 | 0.76 | 73.5 | 61.5 | 32.8 | L3 | G3/8 | G3/8 |
| 1.1 | 230 | 250 | 270 | 6000 | 1000 | 0.77 | 74 | 62 | 33 | L3 | G3/8 | G3/8 |
| 1.3 | 230 | 250 | 270 | 6000 | 1000 | 0.78 | 75 | 63 | 33.5 | L3 | G3/8 | G3/8 |
| 1.6 | 230 | 250 | 270 | 6000 | 1000 | 0.79 | 76 | 64 | 34 | L3 | G3/8 | G3/8 |
| 1.8 | 230 | 250 | 270 | 6000 | 1000 | 0.81 | 77 | 65 | 34.5 | L3 | G3/8 | G3/8 |
| 2.1 | 230 | 250 | 270 | 6000 | 1000 | 0.82 | 78 | 66 | 35 | L3 | G3/8 | G3/8 |
| 2.7 | 230 | 250 | 270 | 6000 | 800 | 0.85 | 80 | 68 | 36 | L3 | G3/8 | G3/8 |
| 3.2 | 210 | 230 | 250 | 5000 | 800 | 0.87 | 82 | 70 | 37 | L3 | G3/8 | G3/8 |
| 3.7 | 210 | 230 | 250 | 4500 | 800 | 0.9 | 84 | 72 | 38 | L3 | G3/8 | G3/8 |
| 4.2 | 210 | 230 | 250 | 4000 | 800 | 0.93 | 86 | 74 | 39 | L3 | G3/8 | G3/8 |
| 4.8 | 190 | 210 | 230 | 3500 | 600 | 0.95 | 88 | 76 | 40 | L3 | G3/8 | G3/8 |
| 5.8 | 190 | 210 | 230 | 3000 | 600 | 1.02 | 92 | 80 | 42 | L3 | G3/8 | G3/8 |
| 7 | 160 | 180 | 200 | 2500 | 600 | 1.07 | 96 | 84 | 44 | L3 | G3/8 | G3/8 |
| 8 | 160 | 180 | 200 | 2100 | 600 | 1.13 | 100 | 88 | 46 | L3 | G3/8 | G3/8 |
| Displacement | Max. pressure | Max. speed | Min. speed | Weight | Dimensions | Oil port code | Inlet | Outlet | |||||||
| P1 | P2 | P3 | M | L | B | D | H | b | d | h | |||||
| (cm³/rev.) | bar | bar | bar | (r/min) | (r/min) | Kg | mm | mm | mm | mm | mm | mm | |||
| 0.8 | 230 | 250 | 270 | 6000 | 1000 | 0.86 | 74.5 | 33.8 | E0 | 30 | 12 | M6 | 30 | 12 | M6 |
| 1.1 | 230 | 250 | 270 | 6000 | 1000 | 0.88 | 75 | 34 | E0 | 30 | 12 | M6 | 30 | 12 | M6 |
| 1.3 | 230 | 250 | 270 | 6000 | 1000 | 0.90 | 76 | 34.5 | E0 | 30 | 12 | M6 | 30 | 12 | M6 |
| 1.6 | 230 | 250 | 270 | 6000 | 1000 | 0.92 | 77 | 35 | E0 | 30 | 12 | M6 | 30 | 12 | M6 |
| 1.8 | 230 | 250 | 270 | 6000 | 1000 | 0.94 | 78 | 35.5 | E0 | 30 | 12 | M6 | 30 | 12 | M6 |
| 2.1 | 230 | 250 | 270 | 6000 | 1000 | 0.96 | 79 | 36 | E0 | 30 | 12 | M6 | 30 | 12 | M6 |
| 2.7 | 230 | 250 | 270 | 6000 | 800 | 0.988 | 81 | 37 | E0 | 30 | 12 | M6 | 30 | 12 | M6 |
| 3.2 | 210 | 230 | 250 | 5000 | 800 | 1.016 | 83 | 38 | E0 | 30 | 12 | M6 | 30 | 12 | M6 |
| 3.7 | 210 | 230 | 250 | 4500 | 800 | 1.044 | 85 | 39 | E0 | 30 | 12 | M6 | 30 | 12 | M6 |
| 4.2 | 210 | 230 | 250 | 4000 | 800 | 1.072 | 87 | 40 | E0 | 30 | 12 | M6 | 30 | 12 | M6 |
| 4.8 | 190 | 210 | 230 | 3500 | 600 | 1.1 | 89 | 41 | E0 | 30 | 12 | M6 | 30 | 12 | M6 |
| 5.8 | 190 | 210 | 230 | 3000 | 600 | 1.156 | 93 | 43 | E0 | 30 | 12 | M6 | 30 | 12 | M6 |
| 7.0 | 160 | 180 | 200 | 2500 | 600 | 1.212 | 97 | 45 | E0 | 30 | 12 | M6 | 30 | 12 | M6 |
| 8.0 | 160 | 180 | 200 | 2100 | 600 | 1.268 | 101 | 47 | E0 | 30 | 12 | M6 | 30 | 12 | M6 |
| Displacement | Max. pressure | Max. speed | Min. speed | Weight | Dimensions | Oil port code | Inlet | Outlet | |||||||
| P1 | P2 | P3 | M | L | B | D | H | b | d | h | |||||
| (cm³/rev.) | bar | bar | bar | (r/min) | (r/min) | Kg | mm | mm | mm | mm | mm | mm | |||
| 0.8 | 230 | 250 | 270 | 6000 | 1000 | 0.86 | 83.5 | 33.8 | E0 | 30 | 12 | M6 | 30 | 12 | M6 |
| 1.1 | 230 | 250 | 270 | 6000 | 1000 | 0.88 | 84 | 34 | E0 | 30 | 12 | M6 | 30 | 12 | M6 |
| 1.3 | 230 | 250 | 270 | 6000 | 1000 | 0.90 | 85 | 34.5 | E0 | 30 | 12 | M6 | 30 | 12 | M6 |
| 1.6 | 230 | 250 | 270 | 6000 | 1000 | 0.92 | 86 | 35 | E0 | 30 | 12 | M6 | 30 | 12 | M6 |
| 1.8 | 230 | 250 | 270 | 6000 | 1000 | 0.94 | 87 | 35.5 | E0 | 30 | 12 | M6 | 30 | 12 | M6 |
| 2.1 | 230 | 250 | 270 | 6000 | 1000 | 0.96 | 88 | 36 | E0 | 30 | 12 | M6 | 30 | 12 | M6 |
| 2.7 | 230 | 250 | 270 | 6000 | 800 | 0.988 | 90 | 37 | E0 | 30 | 12 | M6 | 30 | 12 | M6 |
| 3.2 | 210 | 230 | 250 | 5000 | 800 | 1.016 | 92 | 38 | E0 | 30 | 12 | M6 | 30 | 12 | M6 |
| 3.7 | 210 | 230 | 250 | 4500 | 800 | 1.044 | 94 | 39 | E0 | 30 | 12 | M6 | 30 | 12 | M6 |
| 4.2 | 210 | 230 | 250 | 4000 | 800 | 1.072 | 96 | 40 | E0 | 30 | 12 | M6 | 30 | 12 | M6 |
| 4.8 | 190 | 210 | 230 | 3500 | 600 | 1.1 | 98 | 41 | E0 | 30 | 12 | M6 | 30 | 12 | M6 |
| 5.8 | 190 | 210 | 230 | 3000 | 600 | 1.156 | 102 | 43 | E0 | 30 | 12 | M6 | 30 | 12 | M6 |
| 7.0 | 160 | 180 | 200 | 2500 | 600 | 1.212 | 106 | 45 | E0 | 30 | 12 | M6 | 30 | 12 | M6 |
| 8.0 | 160 | 180 | 200 | 2100 | 600 | 1.268 | 110 | 47 | E0 | 30 | 12 | M6 | 30 | 12 | M6 |

