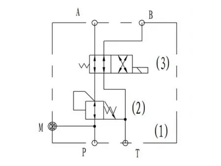
K01 Quick Coupler Valve Block
Request a Quote
- Optimized design minimizes pilot circuit noise for smoother operation
- Factory-tested and validated with over one million durability cycles to ensure long-lasting reliability
Applications
Widely used in construction machinery such as excavators and loaders, the quick coupler valve block enables hydraulic circuit switching for attachments. It is designed with pressure compensation and pressure-holding capabilities, ensuring safe, stable, and efficient operation during frequent attachment changes.
Specifications
| Max. Operating Pressure | 350bar |
| Rated Flow | 10L/min |
| Voltage | DC14V±15% |
| Fluid Temperature Range | -20℃~80℃ |
| Ambient Temperature Range | -20℃~80℃ |
| Surface Treatment | Nickel plated |
| Oil Viscosity Range | ISO 20~400mm²/s |
Related Manufacturies
Leave Message
Similar Manufacturies and Parts
Manufacturer Advertising
More
Similar Manufacturies and Parts
Videos

