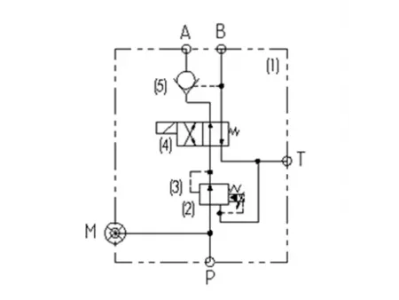
K03 Quick Coupler Valve Block
Request a Quote
- Optimized design minimizes pilot circuit noise, ensuring quieter and smoother operation
- High-precision proportional control reduces throttling losses, improving hydraulic efficiency and overall performance
Applications
Widely used in construction machinery such as excavators and loaders, the quick coupler valve block enables hydraulic circuit switching for attachments. It is designed with pressure compensation and pressure-holding capabilities, ensuring safe, stable, and efficient operation during frequent attachment changes.
Specifications
| Max. Operating Pressure | 380bar |
| Rated Flow | 10L/min |
| Voltage | DC14V±15% |
| Fluid Temperature Range | -20℃~80℃ |
| Ambient Temperature Range | -20℃~80℃ |
| Surface Treatment | Nickel plated |
| Oil Viscosity Range | ISO 20~400mm²/s |
Related Manufacturies
Leave Message
Similar Manufacturies and Parts
Manufacturer Advertising
More
Similar Manufacturies and Parts
Videos

