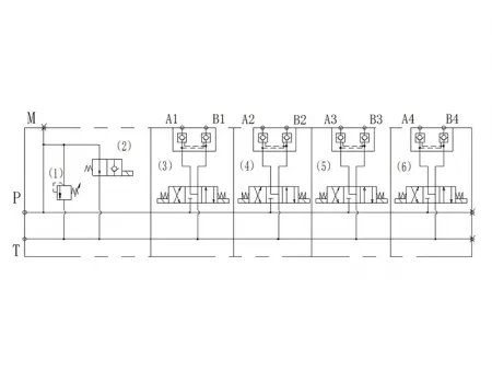
SMWV-08 Sectional Directional Control Valve
Hydraulic multi-way control valve for the control of fluid flow in various industrial and agricultural machines
The SMWV-08 sectional directional control valve is designed for larger flow requirements in demanding hydraulic systems. It uses an electromagnetic spool mechanism to start, stop, and redirect hydraulic fluid, but is optimized for heavier-duty applications and higher-capacity machines. Its wet-type DC solenoid is fully sealed and insulated, allowing smooth armature movement within oil to reduce wear, soften hydraulic impacts, and improve cooling. This results in enhanced switching reliability and extended valve lifespan. The control block features cast fluid passages, minimizing pressure loss and improving overall flow efficiency for heavy machinery.
- Modular and compact design with the ability to combine multiple valve modules
- Integrated hydraulic lock structure simplifies hydraulic circuitry and enhances safety
- Low pressure loss and high efficiency, helping reduce overall machine energy consumption
| Rated Pressure | 210bar |
| Rated Flow | 50L/min |
| Fluid Temperature Range | -20℃~80℃ |
| Contamination Level | ISO 4406 CLASS 20/18/15 |
| Surface Treatment | Nickel plated |
| Oil Viscosity Range | ISO 20~400mm²/s |
The sectional directional control valve is commonly used in harvesting machinery, aerial work platforms, and sanitation equipment requiring larger hydraulic flow handling:
- Harvesting machinery (e.g., combine harvesters): Synchronously manages table height, drum rotation speed, and cleaning mechanisms while adapting to field load changes
- Aerial work platforms (e.g., multi-stage boom lifts): Provides accurate control of multi-section boom extension, platform leveling, and rotation for stable and safe elevated operations
- Sanitation vehicles (e.g., garbage compactors): Coordinates bin lifting, compactor plate movement, and wastewater tank controls for smooth and reliable operation

