SMWV-06 Sectional Directional Control Valve
Request a Quote
Hydraulic multi-way control valve for the control of fluid flow in various industrial and agricultural machines
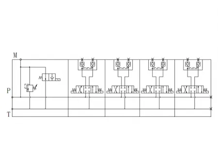
The SMWV-06 sectional directional control valve uses an electromagnetically operated spool to control fluid start, stop, and directional changes in hydraulic systems. It is equipped with a wet-type DC solenoid that is fully sealed and insulated, allowing the armature to move in oil. This design reduces wear, softens hydraulic impact, improves heat dissipation, and enhances switching and reset reliability, resulting in a longer service life. The valve features cast-in fluid passages that reduce pressure loss and increase flow capacity for improved efficiency.
Features
- Modular and compact design with the ability to combine multiple valve modules
- Integrated hydraulic lock structure simplifies hydraulic circuitry and enhances safety
- Low pressure loss and high efficiency, helping reduce overall machine energy consumption
Specifications
| Rated Pressure | 315bar |
| Rated Flow | 40L/min |
| Fluid Temperature Range | -20℃~80℃ |
| Contamination Level | ISO 4406 CLASS 20/18/15 |
| Surface Treatment | Nickel plated |
| Oil Viscosity Range | ISO 20~400mm²/s |
Applications
The sectional valve is widely used in harvesting machinery, aerial work platforms, and sanitation equipment:
- Harvesting machinery (e.g., combine harvesters): Enables synchronized control of harvesting table height, drum speed, and cleaning units while adapting to fluctuating field loads.
- Aerial work platforms (e.g., truck-mounted lifts): Allows smooth, accurate control of stabilizer extension and retraction, with a pressure-holding feature that keeps the platform steady and secure during elevated work.
- Sanitation vehicles (e.g., garbage compactors, hook lift trucks): Controls lifting and lowering actions for bin-tipping and arm-lifting mechanisms efficiently and reliably.
Related Manufacturies
Leave Message
Similar Manufacturies and Parts
Manufacturer Advertising
Similar Manufacturies and Parts
Videos

