High Pressure Washer
Skid-mounted or trailer-mounted water blasters for high-efficiency cleaning of ship hulls, boilers, and heat exchangers
JN200K/JN200Q series of high-pressure washers features a compact structure, small footprint, and high efficiency. The power end adopts forced lubrication, with the high-speed shaft and crankshaft driven by herringbone gears, ensuring stable and reliable transmission. The design reduces friction, improves lubrication performance, lowers noise, and minimizes temperature rise, making it suitable for long-term continuous operation. The fluid end is easy to disassemble and maintain.
These washers are suitable for ultra-high-pressure water jet cleaning, metal cutting, ship hull descaling, and cleaning of equipment in chemical plants, sugar plants, and power plants, including condensers, heat exchangers, and reactors. They can also be used for pumping water, emulsions, and other liquids with water-like properties.
High-Pressure Washer JN200K
- Max. pressure: 45 MPa
- Max. flow: 585 L/min
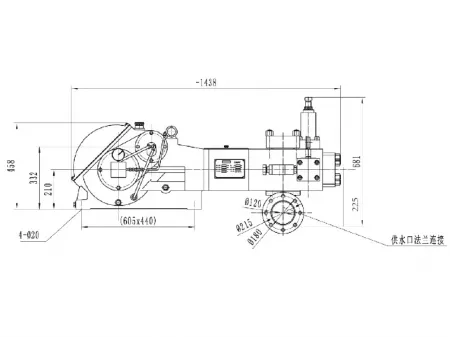
- Dimensions: 1438×695×681 mm
- Recommendation: When selecting a diesel engine, consider fuel economy by calculating the required power as 1.25 times the value listed in the table.
| Plunger Dia. (mm) | Input Speed (r/min) 1480 | Pump Speed | 366 | Transmission Ratio | i=4.04 | |
| Max. Pressure (MPa) under Motor Power below | ||||||
| Theoretical Flow | 110 kW | 132 kW | 160 kW | 200 kW | ||
| L/min | m³/h | |||||
| 45 | 209 | 12.54 | 27 | 33 | 40 | 45 |
| 50 | 258 | 15.48 | 22 | 27 | 33 | 36 |
| 55 | 312 | 18.72 | 18 | 22 | 27 | 30 |
| 60 | 372 | 22.32 | 15 | 19 | 23 | 25 |
| 65 | 436 | 26.16 | 13 | 16 | 19 | 21 |
| 70 | 506 | 30.36 | 11 | 13 | 17 | 18 |
| Plunger Dia (mm) | Input Speed (r/min) 1800 | Pump Speed | 389 | Transmission Ratio | i=4.619 | |
| Max. Pressure (MPa) under Motor Power below | ||||||
| Theoretical Flow | 110 kW | 132 kW | 160 kW | 200 kW | ||
| L/min | m³/h | |||||
| 45 | 222 | 13.32 | 26 | 32 | 38 | 44 |
| 50 | 274 | 16.44 | 21 | 26 | 31 | 35 |
| 55 | 332 | 19.92 | 17 | 21 | 25 | 29 |
| 60 | 395 | 23.7 | 14 | 18 | 21 | 24 |
| 65 | 464 | 27.84 | 12 | 15 | 18 | 21 |
| 70 | 538 | 32.28 | 10 | 13 | 15 | 18 |
| Plunger Dia. (mm) | Input Speed (r/min) 1480 | Pump Speed | 320 | Transmission Ratio | i=4.619 |
| Max. Pressure (MPa) under Motor Power below | |||||
| Theoretical Flow | 110 kW | 132 kW | 160 kW | ||
| L/min | m³/h | ||||
| 45 | 183 | 10.98 | 32 | 38 | 44 |
| 50 | 226 | 13.56 | 25 | 31 | 35 |
| 55 | 273 | 16.38 | 21 | 25 | 29 |
| 60 | 325 | 19.5 | 18 | 21 | 24 |
| 65 | 382 | 22.92 | 15 | 18 | 21 |
| 70 | 443 | 26.58 | 13 | 16 | 18 |
| Plunger Dia. (mm) | Input Speed (r/min) 1800 | Pump Speed | 445 | Transmission Ratio | i=4.04 | |
| Max. Pressure (MPa) under Motor Power below | ||||||
| Theoretical Flow | 110 kW | 132 kW | 160 kW | 200 kW | ||
| L/min | m³/h | |||||
| 45 | 245 | 14.7 | 23 | 28 | 34 | 42 |
| 50 | 300 | 18 | 19 | 23 | 28 | 34 |
| 55 | 360 | 21.6 | 16 | 19 | 23 | 28 |
| 60 | 430 | 25.8 | 13 | 16 | 19 | 24 |
| 65 | 500 | 30 | 11 | 14 | 16 | 21 |
| 70 | 585 | 35.1 | 10 | 12 | 14 | 17 |
High-Pressure Water Injection Pump JN200Q
- Max. pressure: 150 MPa
- Max. flow: 119 L/min
- Dimensions: 1416×755×508 mm
| JN200Q Triplex High-Pressure Pump | ||||||
| Plunger Dia. (mm) | Input Speed (r/min) 1480 | Pump Speed | 366 | Transmission Ratio | i=4.04 | |
| Max. Pressure (MPa) under Motor Power below | ||||||
| Theoretical Flow | 90 kW | 110 kW | 132 kW | 160 kW | ||
| L/min | m³/h | |||||
| 20 | 40 | 2.4 | 115 | 140 | 150 | |
| 22 | 50 | 3 | 95 | 120 | 140 | 150 |
| 24 | 60 | 3.6 | 80 | 100 | 115 | 140 |
| 26 | 70 | 4.2 | 70 | 85 | 100 | 120 |
| 28 | 80 | 4.8 | 56 | 70 | 85 | 100 |
| 30 | 93 | 5.58 | 50 | 60 | 70 | 90 |
| 34 | 119 | 7.14 | 38 | 46 | 57 | 70 |
A portable water injection pump features a compact structure and is convenient for cleaning sediment deposits inside urban pipelines.

