Forklift Valves
Hydraulic valves for the control of fork lifting, tilting, moving backward and forward, and side shifting
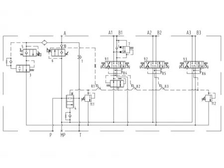
Our forklift valve blocks are designed to control the full range of hydraulic functions for forklifts up to 3.5 tons, including lifting, mast tilting, forward and backward movement, side shifting, and auxiliary attachment control. In addition to standard features, these valve blocks can be customized to integrate steering priority, dual counterbalance, and OPS (Operator Presence Sensing) control functions to meet diverse operational needs.
- Modular, compact structure ensuring safe, reliable performance
- Patented design with integrated OPS and steering priority options for enhanced versatility
- Low pressure loss and high efficiency, reducing energy consumption and extending forklift operating time
| Max. Operating Pressure | 280bar |
| Rated Flow | 90L/min |
| Fluid Temperature Range | -30℃~100℃ |
| Ambient Temperature Range | -30℃~50℃ |
| Oil Viscosity Range | ISO 20~400mm²/s |
Suitable for electric counterbalance forklifts and electric reach trucks, these valves provide electro-proportional precision control over fork lifting and lowering, mast tilting forward and backward, side shifting, and attachment operations, delivering smooth and efficient handling in material handling environments.

